CryoTel Cryocoolers
CryoTel® DS30
performance. efficiency. reliability.
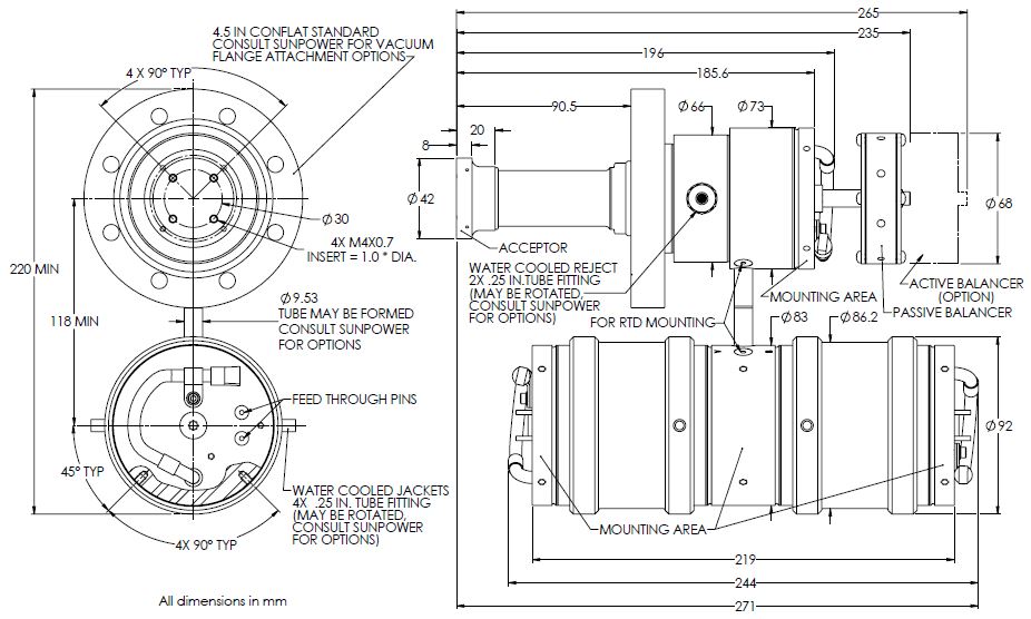
The CryoTel® DS 30 Stirling cryocooler offers efficient, reliable, compact and high power cooling to the market in the temperature range of 35 to 250 Kelvin. The DS30 was optimized for applications in which SWAP (size, weight and power) and reliability are concerns. The DS30 consumes considerably less power than other cooling alternatives and requires no maintenance, making it ideal for strategic as well as industrial applications. Both the cold head and the pressure wave generator can be mounted in any orientation. Application examples include semiconductor manufacturing, large infrared detectors, RF receivers or antennas, astronomical telescopes, laser cooling, high-temperature superconductivity, cold traps, and others.
DS30 Inline Configuration

-
Datasheet
